發布日期:2025-07-01 瀏覽次數:次

型號(hào):AY-F938
價格:電議
品牌:糖心VLOG在线观看
全(quán)國熱線:13764930908
執行標準:
GA 68-2024,附錄A
 
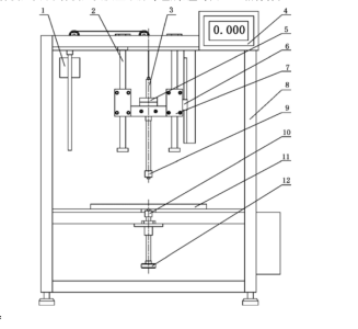
技術參數:
由主體框架、導向機構、砝碼、上探測壓頭(tóu)、下探測壓頭(tóu)及顯示屏等組成。
控製係統:PLC
操作界麵(miàn):彩色7寸觸摸屏,中英文界麵(miàn)切換
主體框架采用金屬材料製作(zuò);
測試方法:全自動升降,全自動測(cè)量,全自動得(dé)測(cè)試結果;
上、下探(tàn)測壓頭:材料(liào):不鏽鋼 直徑φ10mm±0.1 mm,平行度為±0.05 mm,同軸(zhóu)度為±0.1mm,量程為200mm,精度為 0.1 mm。
砝碼配重為 100g±1g
嵌入式打印機
USB接口
電源:220V 50HZ
 
基本配置:
主機一台,電源線一根,說明書/合格證(zhèng)/保修卡/銘牌一套



型號:AY-F938
價格:電議
品牌:糖心VLOG在线观看
全國(guó)熱線:13764930908
執行標準:
GA 68-2024,附錄A
技(jì)術參數:
由主體框架(jià)、導向機構(gòu)、砝碼、上(shàng)探測壓頭(tóu)、下探(tàn)測壓頭及顯示屏等組成。
控製係統:PLC
操作界麵:彩色7寸觸(chù)摸屏(píng),中英文界麵切換
主體框架采用金屬(shǔ)材料製作;
測試方法(fǎ):全自動升降,全自動測量,全自動得測試結果(guǒ);
上、下探測(cè)壓頭:材料:不鏽鋼 直(zhí)徑φ10mm±0.1 mm,平行(háng)度為±0.05 mm,同軸度為±0.1mm,量程為200mm,精度為 0.1 mm。
砝碼配重為 100g±1g
嵌(qiàn)入式打印機
USB接口
電源:220V 50HZ
基本配置:
主機一(yī)台,電源線一根,說明書/合格證/保修卡/銘牌一套


客服微(wēi)信二維(wéi)碼